GIQ-A气动高真空蝶阀
                            - 销售:
 - 销售:
 - 传真:
 
详情介绍
- 产品介绍
 - 服务承诺
 - 订货流程
 
GIQ-A型系列气动高真空蝶阀适用于高真空系统中用来接通或截止气流之用。该阀以压缩空气为动力,通过电磁换向阀改变气路方向,执行气缸推动,使固定在转动轴上的阀板旋转90°实现阀门的开启和关闭。
GIQ-A型系列气动高真空蝶阀适用的工作介质为空气和非腐蚀性气体。
主要技术性能
适用范围(Pa)  | 2x105~1.3x10-5  | 
阀门漏率(Pa.L/S)  | ≤1.3x10-6  | 
介质温度(℃)  | -25~+80(密封材料为丁腈橡胶)  | 
气源压力(MPa)  | 0.4~0.6  | 
法兰标准  | GB/T6070  | 
安装位置  | 任意  | 
电源电压  | 标准出厂:AC220V/50Hz  | 
信号反馈  | 标准出厂:不带反馈信号  | 

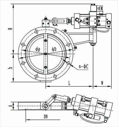
主要外形尺寸
型号  | 通径(DN)  | ΦD  | ΦB  | H  | h  | A  | L  | W  | n-ΦC  | 
GIQ-50A  | 50  | 110  | 90  | 162  | 55  | 26  | 160  | 62  | 4-Φ9  | 
GIQ-63A  | 63  | 130  | 110  | 172  | 66  | 32  | 180  | 81  | |
GIQ-80A  | 80  | 145  | 125  | 178  | 74  | 8-Φ9  | |||
GIQ-100A  | 100  | 165  | 145  | 187  | 84  | 8-Φ12  | |||
GIQ-125A  | 125  | 200  | 175  | 208  | 102  | 35  | 207  | 86  | |
GIQ-150A  | 150  | 225  | 200  | 220  | 114  | ||||
GIQ-200A  | 200  | 285  | 260  | 256  | 146  | 45  | 236  | 100  | 12-Φ11  | 
GIQ-250A  | 250  | 335  | 310  | 282  | 173  | 50  | |||
GIQ-300A  | 300  | 425  | 395  | 350  | 216  | 55  | 280  | 118  | 12-Φ14  | 
GIQ-400A  | 400  | 510  | 480  | 392  | 259  | 60  | 304  | 130  | 16-Φ14  | 
GIQ-500A  | 500  | 600  | 565  | 440  | 312  | 80  | 350  | 175  | 12-Φ18  | 
GIQ-600A  | 600  | 710  | 670  | 525  | 366  | 100  | 360  | 212  | 12-Φ21  | 
GIQ-800A  | 800  | 920  | 880  | 690  | 473  | 130  | 520  | 268  | 20-Φ21  | 
良好的品质、优良的服务 千亿app官方web站登入-千亿(中国)为你创造更多价值!
   
  
“千亿app官方web站登入-千亿(中国)”的期望,不断提升服务质量,精益求精,“真诚的服务”是“千亿app官方web站登入-千亿(中国)”永恒的主题。“千亿app官方web站登入-千亿(中国)”严格按照IS09001-2000 质量体系认证要求,质量严格把关, 责任到人,确保生产、销售、服务的健康运行。加强与用户沟通,竭诚为广大客户提供优良产品,至善至美服务。特此我厂做出以下承诺:
  
产品标准:
  
产品严格按照中国GB、HG 标准和美国API等标准设计、制造、验收。密封面硬度达到国家规定要求,宽度超过国家标准。 
  
售前服务:
  
产品介绍,技术交流,非标产品设计,疑难解答。 
  
售中服务:
  
守信合同,保证及时供货,随时保持与客户联系。 对特殊或复制的产品,我厂安排技术人员对用户进行产品使用、故障排除
  
售后服务:
  
1、“千亿app官方web站登入-千亿(中国)”牌产品品质期为自出厂起12个月,实行“三包”服务(包退、包换、保修)。 
  
2、产品在使用中我厂定期组织技术、质检人员进行访问,征询用户对产品质量、 使用状况、改进意见等方面的反馈, 以便进一步提高产品质量。 
  
3、对用户投诉质量问题,快速作出反应,售后服务人员在24-36小时(省外48小时)赶赴现场。 
  
4、对售后服务,要求用户填写服务后的质量反馈信息表,并作出鉴定意见,以便提高千亿app官方web站登入-千亿(中国)的服务质量。 
  
1、客户如对产品有特殊要求,须在订货合同中提供以下说明: 
  
a、结构长度;
  
b、连接形式;
  
c、公称直径、全通径、缩径、管道尺寸;
  
d、运行介质及温度、压力范围;
  
e、试验、检验标准及其他要求 
  
2、本厂可根据客户特定要求配置各类驱动装置。 
  
3、如由客户提供确定的阀门类型和型号时,客户应正确说明其型号的含义和要求,在供需双方理解一致的条件下签订合同。 
  
4、期货、订货的客户请先来电函详细告诉所需的阀门型号、规格、数量以及交货时间、地点,并按总的30%预定金或全额货款及时汇入我厂帐户,其余货款待发货前汇入,以便及时安排发货。
  
订单流程:
  
1、客户采购清单传真至,或来电咨询 
  
2、收到客户采购清单,为客户提供阀门型号选型与报价(价格清单)。
  
3、具体商定:交货期、特殊要求等事宜。
  
订货须知:
  
1、客户如对产品有特殊要求,须在订货合同中提供以下说明:
            | 
    |||||
 
            | 
    |||||
2、本厂可根据客户特定要求配置各类驱动装置。
            | 
    |||||
3、如由客户提供确定的阀门类型和型号时,客户应正确说明其型号的含义和要求,在供需双方理解一致的条件下签订合同。
            | 
    |||||
4、期货、订货的客户请先来电函详细告诉所需的阀门型号、规格、数量以及交货时间、地点,并按总的30%预定金或全额货款及时汇入我厂账户, 其余货款待发货前汇入,以便及时安排发货。
            | 
    
售中服务:
  
守信合同,保证及时供货,随时保持与客户联系。
  
对特殊或复制的产品,我厂安排技术人员对用户进行产品使用、故障排除
  
售后服务:
  
1、“千亿app官方web站登入-千亿(中国)”产品品质期为自出厂起12个月,实行“三包”服务(包退、包换、保修)。
  
2、产品在使用中我厂定期组织技术、质检人员进行访问,征询用户对产品质量、使用状况、改进意见等方面的反馈,
  以便进一步提高产品质量。
  
3、对用户投诉质量问题,快速作出反应,售后服务人员在24-36小时(省外48小时)赶赴现场。
  
4、对售后服务,要求用户填写服务后的质量反馈信息表,并作出鉴定意见,以便提高“千亿app官方web站登入-千亿(中国)”的服务质量。
声明  | 
                          
  |