Q41F软密封球阀
                            - 销售:
 - 销售:
 - 传真:
 
详情介绍
- 产品介绍
 - 服务承诺
 - 订货流程
 
Q41F软密封球阀不仅结构简单、密封性能好,而且在一定的公称通经范围内体积较小、重量轻、材料耗用少、安装尺寸小,并且驱动力矩小,操作简便、易实现快速启闭,是近十几年来发展较快的阀门品种之一。软密封球阀是由旋塞阀演变而来的,它的启闭件作为一个球体,利用球体绕阀杆的轴线旋转90°实现开启和关闭的目的。软密封球阀在管道上主要用于切断、分配和改变介质流动方向,在化工产品、医药和食品经营种;在水电、火电和核电的电力经营系统中;在城市和工业企业的给排水、供热、和供气系统中;在农田的排灌系统中;在治金经营系统中得以广泛的应用,是一种与经营建设、国防建设和人民生活息息相关的重要机械产品。手动软密封球阀密闭在各类管路系统种用于截断或接通介质流,使介质按照预定的程序输送到各个指定点。
软密封球阀产品特点
(1)流体阻力小,其阻力系数与同长度的管段相等。
(2)结构简单、体积小、重量轻。
(3)紧密可靠,目前球阀的密封面材料广泛使用塑料、密封性好,在真空系统中也已广泛使用。
(4)操作方便,开闭迅速,从全开到全关只要旋转90°,便于远距离的控制。
(5)维修方便,球阀结构简单,密封圈一般都是活动的,拆卸更换都比较方便。
(6)在全开或全闭时,球体和阀座的密封面与介质隔离,介质通过时,不会引起阀门密封面的侵蚀。
(7)适用范围广,通径从小到几毫米,大到几米,从高真空至高压力都可应用。 球旋转90度时,在进、出口处应全部呈现球面,从而截断流动。
软密封球阀 主要零件材料
序号  | 零件名称  | 国标材质  | 美标材质  | 
1  | 阀体  | WCB  | A216-WCB  | 
2  | 密封圈  | PTFE  | PTFE  | 
3  | 球体  | 1Cr18Ni9Ti  | SS304  | 
4  | 螺母  | 35  | A194-2H  | 
5  | 螺柱  | 35CrMoA  | A193-B7  | 
6  | 石体  | WCB  | A216-WCB  | 
7  | 垫片  | 柔性石墨+不锈钢  | B12.10-304/F.G  | 
8  | 填料  | PTFE  | PTFE  | 
9  | 填料压盖  | WCB  | A216-WCB  | 
0  | 定位片  | 25  | A105  | 
11  | 挡圈  | 65Mn  | AISI 1066  | 
12  | 手柄  | K33  | A47-667 Gr.32510  | 
13  | 阀杆  | 1Cr33  | A276-410  | 
14  | 螺钉  | 35  | A193-B7  | 
15  | 止推垫片  | PTFE  | PTFE  | 
软密封球阀 技术规范
设计依据  | 国标系列  | 美标系列  | |
设计标准  | GB/T12237  | AP16D  | ANSI B16.34  | 
法兰连接结构长度  | GB/T12221  | AP16D  | ANSI B16.10  | 
结构长度焊接  | GB/T15188.1  | AP16D  | ANSI B16.10  | 
连接法兰  | GB/T9113  | ANSI B16.5、B16.47  | |
对焊端  | GB/T12224  | ASNI B16.25  | |
试验和检验  | GB/T9092  | AP16D  | AP1598  | 
软密封球阀 性能规范
压力等级  | 试验压力(MPa)  | ||
公称压力(PN)  | 磅级(Class)  | 壳体试验  | 密封试验  | 
1.0  | -  | 1.5  | 1.1  | 
1.6  | -  | 2.5  | 1.76  | 
2.5  | -  | 3.8  | 2.75  | 
4.0  | -  | 6.0  | 4.4  | 
6.4  | -  | 9.6  | 7.04  | 
-  | 150  | 3.0  | 2.2  | 
-  | 300  | 7.6  | 5.6  | 
-  | 600  | 15.0  | 11.0  | 
-  | 10K  | 2.4  | 1.5  | 
-  | 20K  | 5.8  | 4.0  | 

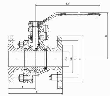
软密封球阀 主要外形尺寸
PN1.6MPa外形尺寸
公称通径DN  | 15  | 20  | 25  | 32  | 40  | 50  | 65  | 80  | 100  | 125  | 150  | 200  | 
L  | 130  | 140  | 150  | 165  | 180  | 200  | 220  | 250  | 280  | 320  | 360  | 400  | 
H  | 59  | 63  | 75  | 85  | 95  | 107  | 142  | 152  | 178  | 252  | 272  | 342  | 
W  | 130  | 130  | 160  | 180  | 230  | 230  | 400  | 400  | 650  | 1050  | 1050  | 1410  | 
Wt(Kg)  | 2.5  | 3  | 5  | 6  | 7  | 10  | 15  | 19  | 33  | 58  | 93  | 160  | 
法兰连接尺寸  | GB/T9113、JB/T79、HG/T20594  | |||||||||||
PN2.5MPa外形尺寸
公称通径DN  | 15  | 20  | 25  | 32  | 40  | 50  | 65  | 80  | 100  | 125  | 150  | 200  | 
L  | 130  | 140  | 150  | 165  | 180  | 200  | 220  | 250  | 320  | 400  | 400  | 550  | 
H  | 59  | 63  | 75  | 97  | 107  | 142  | 152  | 178  | 252  | 272  | 342  | 345  | 
W  | 130  | 130  | 160  | 230  | 230  | 400  | 400  | 700  | 1100  | 1100  | 1500  | 1500  | 
Wt(Kg)  | 2.5  | 3  | 5  | 6  | 7.5  | 10  | 15  | 20  | 33  | 60  | 93  | 175  | 
法兰连接尺寸  | GB/T9113、JB/T79、HG/T20594  | |||||||||||
PN4.0MPa外形尺寸
公称通径DN  | 15  | 20  | 25  | 32  | 40  | 50  | 65  | 80  | 100  | 125  | 150  | 200  | 
L  | 130  | 140  | 150  | 180  | 200  | 220  | 250  | 280  | 320  | 400  | 400  | 400  | 
H  | 59  | 63  | 75  | 85  | 95  | 107  | 142  | 152  | 178  | 252  | 272  | 342  | 
W  | 130  | 130  | 160  | 230  | 230  | 400  | 400  | 700  | 1100  | 1100  | 1500  | 1500  | 
Wt(Kg)  | 3  | 4  | 5  | 7  | 9  | 12  | 18  | 28  | 46  | 75  | 106  | 190  | 
法兰连接尺寸  | GB/T9113、JB/T79、HG/T20594  | |||||||||||
PN6.4MPa外形尺寸
公称通径DN  | 15  | 20  | 25  | 32  | 40  | 50  | 65  | 80  | 100  | 125  | 150  | 200  | 
L  | 165  | 190  | 216  | 229  | 241  | 292  | 330  | 356  | 432  | 508  | 559  | 660  | 
H  | 59  | 63  | 75  | 97  | 107  | 142  | 152  | 178  | 252  | 272  | 305  | 398  | 
W  | 130  | 130  | 160  | 230  | 230  | 400  | 400  | 700  | 1100  | 1100  | 1500  | 1800  | 
Wt(Kg)  | 6.5  | 7  | 8  | 12  | 14  | 18  | 28  | 40  | 65  | 98  | 140  | 250  | 
法兰连接尺寸  | GB/T9113、JB/T79、HG/T20594  | |||||||||||
良好的品质、优良的服务 千亿app官方web站登入-千亿(中国)为你创造更多价值!
   
  
“千亿app官方web站登入-千亿(中国)”的期望,不断提升服务质量,精益求精,“真诚的服务”是“千亿app官方web站登入-千亿(中国)”永恒的主题。“千亿app官方web站登入-千亿(中国)”严格按照IS09001-2000 质量体系认证要求,质量严格把关, 责任到人,确保生产、销售、服务的健康运行。加强与用户沟通,竭诚为广大客户提供优良产品,至善至美服务。特此我厂做出以下承诺:
  
产品标准:
  
产品严格按照中国GB、HG 标准和美国API等标准设计、制造、验收。密封面硬度达到国家规定要求,宽度超过国家标准。 
  
售前服务:
  
产品介绍,技术交流,非标产品设计,疑难解答。 
  
售中服务:
  
守信合同,保证及时供货,随时保持与客户联系。 对特殊或复制的产品,我厂安排技术人员对用户进行产品使用、故障排除
  
售后服务:
  
1、“千亿app官方web站登入-千亿(中国)”牌产品品质期为自出厂起12个月,实行“三包”服务(包退、包换、保修)。 
  
2、产品在使用中我厂定期组织技术、质检人员进行访问,征询用户对产品质量、 使用状况、改进意见等方面的反馈, 以便进一步提高产品质量。 
  
3、对用户投诉质量问题,快速作出反应,售后服务人员在24-36小时(省外48小时)赶赴现场。 
  
4、对售后服务,要求用户填写服务后的质量反馈信息表,并作出鉴定意见,以便提高千亿app官方web站登入-千亿(中国)的服务质量。 
  
1、客户如对产品有特殊要求,须在订货合同中提供以下说明: 
  
a、结构长度;
  
b、连接形式;
  
c、公称直径、全通径、缩径、管道尺寸;
  
d、运行介质及温度、压力范围;
  
e、试验、检验标准及其他要求 
  
2、本厂可根据客户特定要求配置各类驱动装置。 
  
3、如由客户提供确定的阀门类型和型号时,客户应正确说明其型号的含义和要求,在供需双方理解一致的条件下签订合同。 
  
4、期货、订货的客户请先来电函详细告诉所需的阀门型号、规格、数量以及交货时间、地点,并按总的30%预定金或全额货款及时汇入我厂帐户,其余货款待发货前汇入,以便及时安排发货。
  
订单流程:
  
1、客户采购清单传真至,或来电咨询 
  
2、收到客户采购清单,为客户提供阀门型号选型与报价(价格清单)。
  
3、具体商定:交货期、特殊要求等事宜。
  
订货须知:
  
1、客户如对产品有特殊要求,须在订货合同中提供以下说明:
            | 
    |||||
 
            | 
    |||||
2、本厂可根据客户特定要求配置各类驱动装置。
            | 
    |||||
3、如由客户提供确定的阀门类型和型号时,客户应正确说明其型号的含义和要求,在供需双方理解一致的条件下签订合同。
            | 
    |||||
4、期货、订货的客户请先来电函详细告诉所需的阀门型号、规格、数量以及交货时间、地点,并按总的30%预定金或全额货款及时汇入我厂账户, 其余货款待发货前汇入,以便及时安排发货。
            | 
    
售中服务:
  
守信合同,保证及时供货,随时保持与客户联系。
  
对特殊或复制的产品,我厂安排技术人员对用户进行产品使用、故障排除
  
售后服务:
  
1、“千亿app官方web站登入-千亿(中国)”产品品质期为自出厂起12个月,实行“三包”服务(包退、包换、保修)。
  
2、产品在使用中我厂定期组织技术、质检人员进行访问,征询用户对产品质量、使用状况、改进意见等方面的反馈,
  以便进一步提高产品质量。
  
3、对用户投诉质量问题,快速作出反应,售后服务人员在24-36小时(省外48小时)赶赴现场。
  
4、对售后服务,要求用户填写服务后的质量反馈信息表,并作出鉴定意见,以便提高“千亿app官方web站登入-千亿(中国)”的服务质量。
声明  | 
                          
  |