氧气球阀
                            - 销售:
 - 销售:
 - 传真:
 
详情介绍
- 产品介绍
 - 服务承诺
 - 订货流程
 
氧气球阀是氧气管网专用阀门的一种.它除了具有普通球阀功能外还具有阻燃性好,导电性能好,传热快,结构紧凑,防油,安全可靠等特点.随着冶金工业的发展.氧气专用球阀与氧气专用截止阀一起被广泛应用于钢铁,冶金,医药,化工等行业。
![]()  | ![]()  | 
| QY347F蜗轮氧气球阀 | QY641F气动氧气球阀 | 
氧气球阀 性能规范
公称压力  | 1.6  | 2.5  | 4  | 
水压强度试验压力Mpa  | 2.4  | 3.75  | 6  | 
水压密封试验压力Mpa  | 1.76  | 2.75  | 4.4  | 
气压强度试验压力Mpa  | 1.76  | 2.75  | 4.4  | 
气压密封试验压力Mpa  | 1.76  | 2.75  | 4.4  | 
Z大工作压力Mpa  | 1.6  | 2.5  | 4  | 
工作温度  | -20~150℃  | ||
适用介质  | 氧气,氮气,空气等  | ||
氧气球阀 主要零件材料
零件名称  | 壳体  | 球体  | 阀杆  | 手柄  | 垫片,填料密封圈  | 
材料  | 16-4硅黄铜  | 不锈钢或铜合金  | 不锈钢  | 碳钢  | 聚四氟乙烯  | 

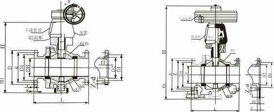
氧气球阀 主要外形尺寸
公称压力  | 公称直径DN(mm)  | D  | D1  | K  | L  | F  | F1  | C  | Z-d  | H  | H1  | 
1.6  | 125  | 245  | 185  | 210  | 381  | 3  | /  | 20  | 8-φ18  | 252  | 195  | 
150  | 280  | 210  | 240  | 403  | 3  | /  | 24  | 8-φ23  | 272  | 215  | |
200  | 335  | 295  | 295  | 502  | 3  | /  | 26  | 12-φ23  | 342  | 295  | |
250  | 405  | 320  | 355  | 568  | 3  | /  | 30  | 12-φ25  | 495  | 335  | |
300  | 460  | 375  | 410  | 648  | 4  | /  | 30  | 12-φ25  | 580  | 385  | |
350  | 520  | 435  | 470  | 762  | 4  | /  | 34  | 16-φ25  | 625  | 430  | |
400  | 580  | 485  | 525  | 838  | 4  | /  | 36  | 16-φ30  | 720  | 470  | |
450  | 640  | 545  | 585  | 914  | 4  | /  | 40  | 20-φ30  | 800  | 560  | |
2.5  | 125  | 270  | 188  | 220  | 381  | 3  | /  | 28  | 8-φ25  | 252  | 195  | 
150  | 300  | 218  | 250  | 403  | 3  | /  | 30  | 8-φ25  | 272  | 215  | |
200  | 360  | 278  | 310  | 502  | 3  | /  | 34  | 12-φ25  | 342  | 295  | |
250  | 425  | 332  | 370  | 568  | 3  | /  | 36  | 12-φ30  | 495  | 335  | |
300  | 485  | 390  | 430  | 648  | 4  | /  | 40  | 16-φ30  | 580  | 385  | |
350  | 550  | 448  | 490  | 762  | 4  | /  | 44  | 16-φ34  | 625  | 430  | |
400  | 610  | 505  | 550  | 838  | 4  | /  | 48  | 16-φ34  | 720  | 470  | |
450  | 660  | 555  | 600  | 914  | 4  | /  | 50  | 20-φ34  | 800  | 560  | |
4  | 125  | 270  | 188  | 220  | 381  | 3  | 4.5  | 28  | 8-φ25  | 252  | 195  | 
150  | 300  | 218  | 250  | 403  | 3  | 4.5  | 30  | 8-φ25  | 272  | 215  | |
200  | 375  | 282  | 320  | 502  | 3  | 4.5  | 38  | 12-φ30  | 398  | 295  | |
250  | 445  | 345  | 385  | 568  | 3  | 4.5  | 42  | 12-φ34  | 495  | 335  | |
300  | 510  | 408  | 450  | 648  | 4  | 4.5  | 46  | 16-φ34  | 580  | 385  | |
350  | 570  | 465  | 510  | 762  | 4  | 5  | 52  | 16-φ34  | 625  | 430  | |
400  | 655  | 535  | 585  | 838  | 4  | 5  | 58  | 16-φ41  | 720  | 470  | |
450  | 680  | 560  | 610  | 914  | 4  | 5  | 60  | 20-φ41  | 820  | 560  | 
良好的品质、优良的服务 千亿app官方web站登入-千亿(中国)为你创造更多价值!
   
  
“千亿app官方web站登入-千亿(中国)”的期望,不断提升服务质量,精益求精,“真诚的服务”是“千亿app官方web站登入-千亿(中国)”永恒的主题。“千亿app官方web站登入-千亿(中国)”严格按照IS09001-2000 质量体系认证要求,质量严格把关, 责任到人,确保生产、销售、服务的健康运行。加强与用户沟通,竭诚为广大客户提供优良产品,至善至美服务。特此我厂做出以下承诺:
  
产品标准:
  
产品严格按照中国GB、HG 标准和美国API等标准设计、制造、验收。密封面硬度达到国家规定要求,宽度超过国家标准。 
  
售前服务:
  
产品介绍,技术交流,非标产品设计,疑难解答。 
  
售中服务:
  
守信合同,保证及时供货,随时保持与客户联系。 对特殊或复制的产品,我厂安排技术人员对用户进行产品使用、故障排除
  
售后服务:
  
1、“千亿app官方web站登入-千亿(中国)”牌产品品质期为自出厂起12个月,实行“三包”服务(包退、包换、保修)。 
  
2、产品在使用中我厂定期组织技术、质检人员进行访问,征询用户对产品质量、 使用状况、改进意见等方面的反馈, 以便进一步提高产品质量。 
  
3、对用户投诉质量问题,快速作出反应,售后服务人员在24-36小时(省外48小时)赶赴现场。 
  
4、对售后服务,要求用户填写服务后的质量反馈信息表,并作出鉴定意见,以便提高千亿app官方web站登入-千亿(中国)的服务质量。 
  
1、客户如对产品有特殊要求,须在订货合同中提供以下说明: 
  
a、结构长度;
  
b、连接形式;
  
c、公称直径、全通径、缩径、管道尺寸;
  
d、运行介质及温度、压力范围;
  
e、试验、检验标准及其他要求 
  
2、本厂可根据客户特定要求配置各类驱动装置。 
  
3、如由客户提供确定的阀门类型和型号时,客户应正确说明其型号的含义和要求,在供需双方理解一致的条件下签订合同。 
  
4、期货、订货的客户请先来电函详细告诉所需的阀门型号、规格、数量以及交货时间、地点,并按总的30%预定金或全额货款及时汇入我厂帐户,其余货款待发货前汇入,以便及时安排发货。
  
订单流程:
  
1、客户采购清单传真至,或来电咨询 
  
2、收到客户采购清单,为客户提供阀门型号选型与报价(价格清单)。
  
3、具体商定:交货期、特殊要求等事宜。
  
订货须知:
  
1、客户如对产品有特殊要求,须在订货合同中提供以下说明:
            | 
    |||||
 
            | 
    |||||
2、本厂可根据客户特定要求配置各类驱动装置。
            | 
    |||||
3、如由客户提供确定的阀门类型和型号时,客户应正确说明其型号的含义和要求,在供需双方理解一致的条件下签订合同。
            | 
    |||||
4、期货、订货的客户请先来电函详细告诉所需的阀门型号、规格、数量以及交货时间、地点,并按总的30%预定金或全额货款及时汇入我厂账户, 其余货款待发货前汇入,以便及时安排发货。
            | 
    
售中服务:
  
守信合同,保证及时供货,随时保持与客户联系。
  
对特殊或复制的产品,我厂安排技术人员对用户进行产品使用、故障排除
  
售后服务:
  
1、“千亿app官方web站登入-千亿(中国)”产品品质期为自出厂起12个月,实行“三包”服务(包退、包换、保修)。
  
2、产品在使用中我厂定期组织技术、质检人员进行访问,征询用户对产品质量、使用状况、改进意见等方面的反馈,
  以便进一步提高产品质量。
  
3、对用户投诉质量问题,快速作出反应,售后服务人员在24-36小时(省外48小时)赶赴现场。
  
4、对售后服务,要求用户填写服务后的质量反馈信息表,并作出鉴定意见,以便提高“千亿app官方web站登入-千亿(中国)”的服务质量。
声明  | 
                          
  | 
                        
                    
                        
    
