气动对夹式软密封蝶阀-D671X
                            - 销售:
 - 销售:
 - 传真:
 
详情介绍
- 产品介绍
 - 服务承诺
 - 订货流程
 
D671X气动对夹式软密封蝶阀采用双偏心结构,具有越关越紧的密封功能,密封性能可靠。密封副材料选用不锈钢和丁腈耐油橡胶配对,使用寿命长。橡胶密封圈即可位于阀体上,也可以位于蝶板上,可适用不同特点的介质,供用户选择。蝶板采用框架结构,强度高,过流面积大,流阻小。整体烤漆、能有效地防止锈蚀且只要更换密封阀座密封材料,就可使用于不同介质。D671X气动对夹式蝶阀具有双向密封功能,安装时不受介质流向的控制,也不受空间位置的影响,可在任何方向安装。本阀结构独特,操作灵活,省力,方便。
气动对夹式软密封蝶阀 结构特点
D671X气动对夹式蝶阀采用对夹板式结构,主要由阀体,阀板,阀轴,阀座及传动装置组成,结构简单紧凑,小巧轻便,运输,安装,拆卸方便;90的启闭,开关迅速,操作扭矩小,省力轻巧;密封性能好,使用寿命长,可达到零泄露;其流量特性近似于直线,调节性能好。阀门为橡胶密封,关闭时蝶板和阀座密封性能良好,双向密封性能优良,扭矩值小,阀门在工作压力下保持,且蝶板与阀座密封之间的磨擦小。D671X气动对夹式蝶阀由阀轴驱动阀板,阀板做90°转动。蝶板启闭灵活,无卡涩、跳动现象,扭矩小。
气动对夹式软密封蝶阀 产品用途
软密封中线对夹式蝶阀,双偏心法兰式蝶阀结构紧凑,90°回转开关轻松,密封可靠,使用寿命长,D671X气动对夹式蝶阀广泛用于水厂、电厂、钢厂、造纸、化工、轻纺、食品等给排水、气体管道上作调节流量和截流介质的作用。
气动对夹式软密封蝶阀 执行机构
D671X气动对夹式蝶阀采用新型系列GT型气动执行器,有双作用式和单作用式(弹簧复位),齿轮传动,安全可靠;大口径阀门采用系列AW型气动执行器拔叉式传动,结构合理,输出扭矩大。
1、切断型附件:单电控电磁阀、双电控电磁阀、限位开关回讯器
2、调节型附件:电气定位器、气动定位器、电气转换器
3、气源处理附件:空气过滤调压阀、气源处理三联件
4.采用电-气阀门定位器,以电信号和压缩空气为动力,接受控制系统输入的0-10mA DC或4-20mA DC电流信号,由调节器将压缩空气,转换成气源压力信号输入输出,改变阀板的旋转角度(0-90°任意角度),具有较好的调节控制流量等参数
5、采用电磁换向阀、阀位回讯器,以AC220V或DC24V电源电压和压缩空气作动力,实现对流体介质的快速二位切断控制。气动执行机构采用活塞式气缸及曲臂转换结构,输出力矩大,体积精小,采用全密封防水设计防护等级高
6、气缸体采用镜面气缸,无油润滑,磨擦系数小、耐腐蚀、具有的耐用性及可靠性。所有传动轴承均采用边界自润滑轴承无油润滑,确保传动轴不摩损
气动对夹式软密封蝶阀 零件材料
零件名称  | 材料  | 
阀体  | 灰铸铁、球墨铸铁、铸钢、不锈钢及特殊材料  | 
蝶板  | 球墨铸铁、铸钢、不锈钢及合金钢  | 
阀轴  | 2Cr13、不锈钢  | 
密封圈  | 丁腈耐油橡胶、聚四氟乙烯  | 
填料  | O型圈、柔性石墨  | 

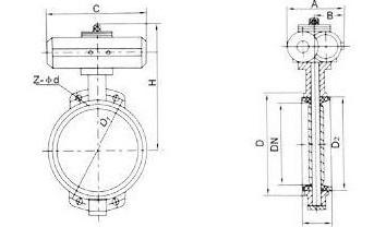
气动对夹式软密封蝶阀 外形尺寸
公称通径DN(mm)  | 结构长度(mm)  | 外形尺寸(mm)  | 连接尺寸(标准值)  | |||||||||
0.6MPa  | 1.0MPa  | 1.6MPa  | ||||||||||
毫米  | 英寸  | L  | H1  | H0  | A  | B  | D0  | n-d  | D0  | n-d  | D0  | n-d  | 
50  | 2"  | 43  | 63  | 315  | 180  | 65  | 110  | 4-14  | 125  | 4-18  | 125  | 4-18  | 
65  | 2 1/2"  | 46  | 70  | 330  | 180  | 65  | 130  | 4-14  | 145  | 4-18  | 145  | 4-18  | 
80  | 3"  | 46  | 83  | 390  | 245  | 72  | 150  | 4-18  | 160  | 8-18  | 160  | 8-18  | 
100  | 4"  | 52  | 105  | 431  | 240  | 72  | 170  | 4-18  | 180  | 8-18  | 180  | 8-18  | 
125  | 5"  | 56  | 115  | 455  | 240  | 72  | 200  | 8-18  | 210  | 8-18  | 210  | 8-18  | 
150  | 6"  | 56  | 137  | 626  | 350  | 93  | 225  | 8-18  | 240  | 8-22  | 240  | 8-22  | 
200  | 8"  | 60  | 164  | 720  | 350  | 93  | 280  | 8-18  | 295  | 8-22  | 295  | 12-22  | 
250  | 10  | 68  | 206  | 800  | 550  | 350  | 335  | 12-18  | 350  | 12-22  | 355  | 12-26  | 
300  | 12  | 78  | 230  | 860  | 600  | 350  | 395  | 12-22  | 400  | 12-22  | 410  | 12-26  | 
350  | 14  | 78  | 248  | 883  | 600  | 350  | 445  | 12-22  | 460  | 16-22  | 470  | 16-26  | 
400  | 16  | 102  | 89  | 972  | 600  | 350  | 495  | 16-22  | 515  | 16-26  | 525  | 16-30  | 
450  | 18  | 114  | 320  | 1043  | 750  | 380  | 550  | 16-22  | 565  | 20-26  | 585  | 20-30  | 
500  | 20  | 127  | 343  | 1098  | 750  | 380  | 600  | 20-22  | 620  | 20-26  | 650  | 20-33  | 
600  | 24  | 154  | 413  | 1236  | 750  | 380  | 705  | 20-26  | 725  | 20-30  | 770  | 20-36  | 
700  | 28  | 165  | 478  | 1431  | 750  | 380  | 810  | 24-26  | 840  | 24-30  | 840  | 24-36  | 
800  | 32  | 190  | 25  | 1488  | 750  | 380  | 920  | 24-30  | 950  | 24-33  | 950  | 24-39  | 
900  | 36  | 203  | 620  | 1615  | 1250  | 380  | 1020  | 24-30  | 1050  | 28-33  | 1050  | 28-39  | 
1000  | 40  | 216  | 725  | 1795  | 1500  | 580  | 1120  | 28-30  | 1160  | 28-36  | 1170  | 28-42  | 
1200  | 48  | 254  | 780  | 1976  | 1500  | 580  | 1340  | 32-33  | 1380  | 32-39  | 1390  | 32-48  | 
良好的品质、优良的服务 千亿app官方web站登入-千亿(中国)为你创造更多价值!
   
  
“千亿app官方web站登入-千亿(中国)”的期望,不断提升服务质量,精益求精,“真诚的服务”是“千亿app官方web站登入-千亿(中国)”永恒的主题。“千亿app官方web站登入-千亿(中国)”严格按照IS09001-2000 质量体系认证要求,质量严格把关, 责任到人,确保生产、销售、服务的健康运行。加强与用户沟通,竭诚为广大客户提供优良产品,至善至美服务。特此我厂做出以下承诺:
  
产品标准:
  
产品严格按照中国GB、HG 标准和美国API等标准设计、制造、验收。密封面硬度达到国家规定要求,宽度超过国家标准。 
  
售前服务:
  
产品介绍,技术交流,非标产品设计,疑难解答。 
  
售中服务:
  
守信合同,保证及时供货,随时保持与客户联系。 对特殊或复制的产品,我厂安排技术人员对用户进行产品使用、故障排除
  
售后服务:
  
1、“千亿app官方web站登入-千亿(中国)”牌产品品质期为自出厂起12个月,实行“三包”服务(包退、包换、保修)。 
  
2、产品在使用中我厂定期组织技术、质检人员进行访问,征询用户对产品质量、 使用状况、改进意见等方面的反馈, 以便进一步提高产品质量。 
  
3、对用户投诉质量问题,快速作出反应,售后服务人员在24-36小时(省外48小时)赶赴现场。 
  
4、对售后服务,要求用户填写服务后的质量反馈信息表,并作出鉴定意见,以便提高千亿app官方web站登入-千亿(中国)的服务质量。 
  
1、客户如对产品有特殊要求,须在订货合同中提供以下说明: 
  
a、结构长度;
  
b、连接形式;
  
c、公称直径、全通径、缩径、管道尺寸;
  
d、运行介质及温度、压力范围;
  
e、试验、检验标准及其他要求 
  
2、本厂可根据客户特定要求配置各类驱动装置。 
  
3、如由客户提供确定的阀门类型和型号时,客户应正确说明其型号的含义和要求,在供需双方理解一致的条件下签订合同。 
  
4、期货、订货的客户请先来电函详细告诉所需的阀门型号、规格、数量以及交货时间、地点,并按总的30%预定金或全额货款及时汇入我厂帐户,其余货款待发货前汇入,以便及时安排发货。
  
订单流程:
  
1、客户采购清单传真至,或来电咨询 
  
2、收到客户采购清单,为客户提供阀门型号选型与报价(价格清单)。
  
3、具体商定:交货期、特殊要求等事宜。
  
订货须知:
  
1、客户如对产品有特殊要求,须在订货合同中提供以下说明:
            | 
    |||||
 
            | 
    |||||
2、本厂可根据客户特定要求配置各类驱动装置。
            | 
    |||||
3、如由客户提供确定的阀门类型和型号时,客户应正确说明其型号的含义和要求,在供需双方理解一致的条件下签订合同。
            | 
    |||||
4、期货、订货的客户请先来电函详细告诉所需的阀门型号、规格、数量以及交货时间、地点,并按总的30%预定金或全额货款及时汇入我厂账户, 其余货款待发货前汇入,以便及时安排发货。
            | 
    
售中服务:
  
守信合同,保证及时供货,随时保持与客户联系。
  
对特殊或复制的产品,我厂安排技术人员对用户进行产品使用、故障排除
  
售后服务:
  
1、“千亿app官方web站登入-千亿(中国)”产品品质期为自出厂起12个月,实行“三包”服务(包退、包换、保修)。
  
2、产品在使用中我厂定期组织技术、质检人员进行访问,征询用户对产品质量、使用状况、改进意见等方面的反馈,
  以便进一步提高产品质量。
  
3、对用户投诉质量问题,快速作出反应,售后服务人员在24-36小时(省外48小时)赶赴现场。
  
4、对售后服务,要求用户填写服务后的质量反馈信息表,并作出鉴定意见,以便提高“千亿app官方web站登入-千亿(中国)”的服务质量。
声明  | 
                          
  |