气动调节蝶阀
                            - 销售:
 - 销售:
 - 传真:
 
详情介绍
- 产品介绍
 - 服务承诺
 - 订货流程
 
ZMAW气动薄膜调节蝶阀/ZSRW、ZSCW气动活塞调节蝶阀输入控制信号(4-20mADC或1-5VDC)气源即可控制运转,结构简单紧凑,加工方便,易制成大口径,具有自清洗作用,阻力系数小,流通能力大。适用于悬浮颗粒的流体及浓、浊浆状流体的调节。干净介质,可选用阀板加软密封(橡胶圈、四氟圈)来减少泄漏(可达0.01%),高温高压工况可选用三偏心硬密封阀体。订货时要予以注明即可。
气动调节蝶阀主要技术参数
公称通径 mm  | 50  | 80  | 100  | 125  | 150  | 200  | 250  | 300  | 350  | 400  | 450  | 500  | 600  | 700  | 800  | 900  | 1000  | |
额定流量系数Kv  | 85  | 220  | 340  | 530  | 770  | 1360  | 2130  | 3060  | 4160  | 5450  | 6900  | 8500  | 12200  | 16600  | 21700  | 27540  | 34000  | |
公称压力 MPa  | 0.6  | |||||||||||||||||
额定转角 °  | 70  | |||||||||||||||||
信号压力 KPa  | 20~100  | |||||||||||||||||
流量特性  | 近似等百分比  | |||||||||||||||||
介质温度 ℃  | -20~200(常温) ; -40~450(中温) ; -40~600(高温)  | |||||||||||||||||
接管法兰  | 按JB78-59对夹式法兰连接  | |||||||||||||||||
信号连接螺孔  | M16×1.5  | |||||||||||||||||
配用执行机构  | 薄膜式  | ZMA-2  | ZMA-3  | ZMA-4  | ZMA-5  | |||||||||||||
活塞式  | ZSC-45  | |||||||||||||||||
阀体材质  | ZG230-450;1Cr18Ni9; ZG1Cr18Ni9Ti、ZGOCr18Ni12Mo2Ti  | |||||||||||||||||
可配附件  | 手轮、定位器、空气过滤减压器等。  | |||||||||||||||||
气动调节蝶阀主要零件材料及推荐使用温度范围
零件名称  | 材 料  | 温度范围℃  | 
阀体 阀板  | ZG230-450  | -40-450  | 
ZG1Cr18Ni9Ti  | -250-550  | |
ZG0Cr18Ni12Mo2Ti  | 
注:此表为各种材料的使用温度,在实际选用中应根据其产品的介质温度范围,确定材料的低,高使用温度,其低使用温度不得低于介质温度范围下限,高使用温度不得高于介质温度范围的上限。
气动调节蝶阀薄膜式执行机构主要技术参数
型 号  | ZMA-2  | ZMA-3  | ZMA-4  | ZMA-5  | 
有效面积 cm2  | 280  | 400  | 630  | 1000  | 
行 程 mm  | 16  | 25  | 40  | 60  | 
弹簧范围 KPa  | 20~100 ; 40~200 ; 20~60 ; 60~100  | |||
气动调节蝶阀活塞式执行机构主要技术参数
型 号  | 活塞直径 mm  | 有效面积 cm2  | 大行程 mm  | 大操作压力 KPa  | 大输出力 N  | 
ZSC-45  | 250  | 484  | 60  | 500  | 21800  | 
气动调节蝶阀性能指标
执 行 机 构  | 薄膜式执行机构  | 活塞式执行机构  | |||||
类 别  | 不带定位器  | 带定位器  | 带定位器  | ||||
弹簧范围 KPa  | |||||||
20~100 40~200  | 20~60 60~100  | ||||||
项 目  | 基 本 误 差%  | ±8  | -  | ±2.0  | ±2.0  | ||
回 差%  | 6  | -  | 2.0  | 2.0  | |||
死 区%  | 5  | -  | 0.8  | 0.8  | |||
始终点偏差%  | 气 开  | 始点  | ±4.0  | ±4.0  | ±2.0  | ±  | |
终点  | ±8  | ±8  | |||||
气 关  | 始点  | ±8  | ±8  | ||||
终点  | ±4.0  | ±4.0  | |||||
额定转角偏差%  | ±2.5  | ||||||
允许泄漏量1/h  | 2×10-2×阀的额定容量  | ||||||
气动调节蝶阀允许压差 MPa
配用执行机构型号  | ZMA-2  | ZMA-3  | ZMA-4  | ZMA-5  | ZSC-45  | ||||||
0°  | 70°  | 0°  | 70°  | 0°  | 70°  | 0°  | 70°  | 0°  | 70°  | ||
公称通径mm  | 50  | 0.6  | 0.097  | ||||||||
80  | 0.6  | 0.038  | |||||||||
100  | 0.556  | 0.0196  | |||||||||
125  | 0.6  | 0.0250  | |||||||||
150  | 0.444  | 0.0150  | |||||||||
200  | 0.185  | 0.00587  | |||||||||
250  | 0.331  | 0.00845  | |||||||||
300  | 0.181  | 0.00461  | |||||||||
350  | 0.133  | 0.00292  | |||||||||
400  | 0.216  | 0.00485  | |||||||||
450  | 0.171  | 0.00341  | |||||||||
500  | 0.139  | 0.0025  | |||||||||
600  | 0.6  | 0.019  | |||||||||
700  | 0.6  | 0.0119  | |||||||||
800  | 0.442  | 0.00795  | |||||||||
900  | 0.339  | 0.00599  | |||||||||
1000  | 0.236  | 0.00403  | |||||||||
注:括号内数值为带定位器的允许压差。
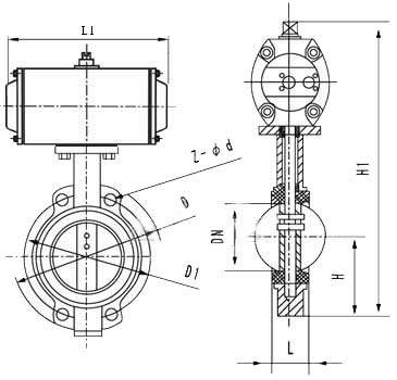
气动调节蝶阀主要外形尺寸
ZMAW气动薄膜调节蝶阀

外形尺寸
公称通径  | D1  | D2  | L1  | L2  | n-d  | H  | H1  | H2  | D  | L3  | 法兰端面距  | 
50  | 110  | 92  | 200  | 4-14  | 637  | 582  | 382  | 280  | 278  | 60  | |
80  | 150  | 125  | 92  | 200  | 4-18  | 644  | 582  | 382  | 280  | 278  | |
100  | 175  | 145  | 102  | 210  | 654  | 280  | 278  | ||||
125  | 200  | 175  | 117  | 234  | 8-18  | 723  | 636  | 436  | 325  | 278  | |
150  | 225  | 200  | 130  | 247  | 736  | 325  | 278  | ||||
200  | 280  | 255  | 172  | 287  | 763  | 325  | 278  | 70  | |||
250  | 335  | 310  | 197  | 327  | 12-18  | 1008  | 853  | 615  | 410  | 376  | |
300  | 395  | 362  | 227  | 351  | 12-23  | 1034  | 410  | 376  | 80  | ||
350  | 445  | 412  | 252  | 376  | 1059  | 410  | 376  | ||||
400  | 495  | 462  | 296  | 432  | 16-23  | 1238  | 1007  | 720  | 495  | 376  | 100  | 
450  | 550  | 518  | 321  | 459  | 1266  | 495  | 376  | ||||
500  | 600  | 568  | 346  | 484  | 1291  | 495  | 376  | ||||
600  | 705  | 755  | 480  | 565  | 20-25  | 1486  | 1109  | 796  | 180  | 150  | |
700  | 810  | 860  | 530  | 615  | 24-25  | 1539  | 180  | ||||
800  | 920  | 975  | 595  | 675  | 24-30  | 1596  | 180  | 200  | |||
900  | 1020  | 1075  | 685  | 770  | 24-30  | 1661  | 1124  | 180  | |||
1000  | 1120  | 1175  | 735  | 810  | 28-30  | 1711  | 1124  | 180  | 200  | 
ZSRW、ZSCW气动活塞调节蝶阀

外形尺寸
公称通径DN  | 结构长度  | 连接尺寸  | |||||||||
L  | H  | H1  | PN0.6MPa  | PN1.0MPa  | |||||||
毫米  | 英寸  | 法兰式  | 对夹式  | D  | D1  | Z-d  | D  | D2  | Z-d  | ||
50  | 2  | 108  | 43  | 100  | 400  | 140  | 110  | 4--14  | 165  | 125  | 4--18  | 
65  | 21/2  | 112  | 46  | 115  | 420  | 160  | 130  | 4--14  | 185  | 145  | 4--18  | 
80  | 3  | 114  | 49  | 120  | 138  | 190  | 150  | 4--18  | 200  | 160  | 8-18  | 
100  | 4  | 127  | 56  | 130  | 524  | 210  | 170  | 4--18  | 220  | 180  | 8-18  | 
125  | 5  | 140  | 64  | 150  | 570  | 240  | 200  | 8-18  | 250  | 210  | 8-18  | 
150  | 6  | 140  | 70  | 170  | 743  | 265  | 225  | 8-18  | 285  | 240  | 8-22  | 
200  | 8  | 152  | 76  | 200  | 767  | 320  | 280  | 8-18  | 340  | 295  | 8-22  | 
250  | 10  | 165  | 76  | 235  | 790  | 375  | 335  | 12-18  | 395  | 350  | 12-22  | 
300  | 12  | 178  | 83  | 300  | 890  | 440  | 395  | 12-22  | 445  | 400  | 12-22  | 
350  | 14  | 190  | 92  | 325  | 954  | 490  | 445  | 16-22  | 505  | 460  | 16-22  | 
400  | 16  | 216  | 102  | 355  | 1070  | 540  | 495  | 16-22  | 565  | 515  | 16-26  | 
450  | 18  | 222  | 114  | 390  | 1140  | 595  | 550  | 20-22  | 615  | 565  | 20-26  | 
500  | 20  | 229  | 127  | 420  | 1200  | 645  | 600  | 20-26  | 670  | 620  | 20-26  | 
600  | 24  | 267  | 154  | 490  | 1380  | 755  | 705  | 24--26  | 780  | 725  | 20-30  | 
700  | 28  | 292  | 165  | 550  | 1580  | 860  | 810  | 24--30  | 895  | 840  | 24--30  | 
800  | 32  | 318  | 190  | 640  | 1760  | 975  | 920  | 24--30  | 1015  | 950  | 24--33  | 
900  | 36  | 330  | 203  | 710  | 1075  | 1020  | 24--30  | 1115  | 1050  | 28-33  | |
1000  | 40  | 410  | 216  | 770  | 1175  | 1120  | 28--30  | 1230  | 1160  | 28-36  | |
1200  | 48  | 470  | 254  | 890  | 1405  | 1340  | 32-33  | 1450  | 1380  | 32-39  | |
良好的品质、优良的服务 千亿app官方web站登入-千亿(中国)为你创造更多价值!
   
  
“千亿app官方web站登入-千亿(中国)”的期望,不断提升服务质量,精益求精,“真诚的服务”是“千亿app官方web站登入-千亿(中国)”永恒的主题。“千亿app官方web站登入-千亿(中国)”严格按照IS09001-2000 质量体系认证要求,质量严格把关, 责任到人,确保生产、销售、服务的健康运行。加强与用户沟通,竭诚为广大客户提供优良产品,至善至美服务。特此我厂做出以下承诺:
  
产品标准:
  
产品严格按照中国GB、HG 标准和美国API等标准设计、制造、验收。密封面硬度达到国家规定要求,宽度超过国家标准。 
  
售前服务:
  
产品介绍,技术交流,非标产品设计,疑难解答。 
  
售中服务:
  
守信合同,保证及时供货,随时保持与客户联系。 对特殊或复制的产品,我厂安排技术人员对用户进行产品使用、故障排除
  
售后服务:
  
1、“千亿app官方web站登入-千亿(中国)”牌产品品质期为自出厂起12个月,实行“三包”服务(包退、包换、保修)。 
  
2、产品在使用中我厂定期组织技术、质检人员进行访问,征询用户对产品质量、 使用状况、改进意见等方面的反馈, 以便进一步提高产品质量。 
  
3、对用户投诉质量问题,快速作出反应,售后服务人员在24-36小时(省外48小时)赶赴现场。 
  
4、对售后服务,要求用户填写服务后的质量反馈信息表,并作出鉴定意见,以便提高千亿app官方web站登入-千亿(中国)的服务质量。 
  
1、客户如对产品有特殊要求,须在订货合同中提供以下说明: 
  
a、结构长度;
  
b、连接形式;
  
c、公称直径、全通径、缩径、管道尺寸;
  
d、运行介质及温度、压力范围;
  
e、试验、检验标准及其他要求 
  
2、本厂可根据客户特定要求配置各类驱动装置。 
  
3、如由客户提供确定的阀门类型和型号时,客户应正确说明其型号的含义和要求,在供需双方理解一致的条件下签订合同。 
  
4、期货、订货的客户请先来电函详细告诉所需的阀门型号、规格、数量以及交货时间、地点,并按总的30%预定金或全额货款及时汇入我厂帐户,其余货款待发货前汇入,以便及时安排发货。
  
订单流程:
  
1、客户采购清单传真至,或来电咨询 
  
2、收到客户采购清单,为客户提供阀门型号选型与报价(价格清单)。
  
3、具体商定:交货期、特殊要求等事宜。
  
订货须知:
  
1、客户如对产品有特殊要求,须在订货合同中提供以下说明:
            | 
    |||||
 
            | 
    |||||
2、本厂可根据客户特定要求配置各类驱动装置。
            | 
    |||||
3、如由客户提供确定的阀门类型和型号时,客户应正确说明其型号的含义和要求,在供需双方理解一致的条件下签订合同。
            | 
    |||||
4、期货、订货的客户请先来电函详细告诉所需的阀门型号、规格、数量以及交货时间、地点,并按总的30%预定金或全额货款及时汇入我厂账户, 其余货款待发货前汇入,以便及时安排发货。
            | 
    
售中服务:
  
守信合同,保证及时供货,随时保持与客户联系。
  
对特殊或复制的产品,我厂安排技术人员对用户进行产品使用、故障排除
  
售后服务:
  
1、“千亿app官方web站登入-千亿(中国)”产品品质期为自出厂起12个月,实行“三包”服务(包退、包换、保修)。
  
2、产品在使用中我厂定期组织技术、质检人员进行访问,征询用户对产品质量、使用状况、改进意见等方面的反馈,
  以便进一步提高产品质量。
  
3、对用户投诉质量问题,快速作出反应,售后服务人员在24-36小时(省外48小时)赶赴现场。
  
4、对售后服务,要求用户填写服务后的质量反馈信息表,并作出鉴定意见,以便提高“千亿app官方web站登入-千亿(中国)”的服务质量。
声明  | 
                          
  |