GWJ41H国标波纹管截止阀
                            - 销售:
 - 销售:
 - 传真:
 
详情介绍
- 产品介绍
 - 服务承诺
 - 订货流程
 
GWJ41H国标波纹管截止阀适用于公称压力PN1.6~16MPa,工作温度-29~350℃的石油、化工、制药、化肥、电力行业等各种工况的管路上,切断或接通管路介质。
国标波纹管截止阀 结构特点
1、产品结构合理、密封可靠,双重坚固耐用的波纹管密封设计(波纹管+填料),保证阀杆的零泄漏。没有流体损失,降低能源损失,提高工厂设备安全。并符合国际密封标准。
2、密封面堆焊Co基硬质合金、耐磨、耐腐、抗摩擦性能好、使用寿命长3、阀杆调质及表面氮化处理,有良好的抗腐和抗摩擦性能;阀杆升降位置指示,更直观。
国标波纹管截止阀 技术规范
结构形式  | BB-BG-OS & Y  | 
驱动方式  | 手动  | 
电动  | |
设计标准  | GB12235  | 
结构长度  | GB12221  | 
连接法兰  | GB9113、JB/T79、HG20596  | 
试验和检验  | JB/T 9092、GB/T13927  | 
国标波纹管截止阀 性能规范
公称压力  | 壳体试验压力  | 密封试验压力  | 适用温度  | 
1.6  | 2.4  | 1.76  | ≤350℃  | 
2.5  | 3.75  | 2.75  | |
4.0  | 6.0  | 4.4  | |
6.4  | 9.6  | 7.04  | 

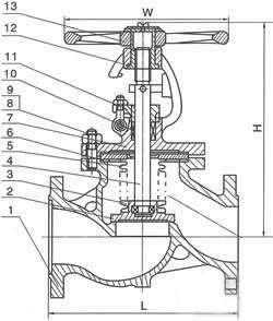
国标波纹管截止阀 主要零件材料
序号  | 名称  | 材质  | 
1  | 阀体  | WCB、WC6、WC9、C5 CF8、CF8M、CF3、CF3M  | 
2  | 阀瓣  | 25、1Cr13、2Cr13 1Cr18Ni9Ti、  | 
3  | 轴销  | 25、1Cr13、2Cr13 1Cr18Ni9Ti、  | 
4  | 阀杆  | 25、1Cr13、2Cr13 1Cr18Ni9Ti、  | 
5  | 波纹管组件  | 1Cr18Ni9Ti、304、316、304L、316L  | 
6  | 垫片  | 柔性石墨+不锈钢、PTFE  | 
7  | 阀盖  | WCB、WC6、WC9、C5 CF8、CF8M、CF3、CF3M  | 
8  | 双头螺栓  | 0Cr18Ni9Ti、0Cr18Ni12Mo2Ti  | 
9  | 六角螺母  | 0Cr18Ni9Ti、0Cr18Ni12Mo2Ti  | 
10  | 填料  | 柔性石墨  | 
11  | 填料压盖  | WCB、WC6、WC9、C5 CF8、CF8M、CF3、CF3M  | 
12  | 阀杆螺母  | 铜合金  | 
13  | 手轮  | WCB、QT400-18  | 

国标波纹管截止阀 主要外形尺寸
型号  | GWJ41-16  | ||||||||||||||
压力等级  | PN16  | ||||||||||||||
口径  | 15  | 20  | 25  | 32  | 40  | 50  | 65  | 80  | 100  | 125  | 150  | 200  | 250  | 300  | 350  | 
L  | 130  | 150  | 160  | 180  | 200  | 230  | 290  | 310  | 350  | 400  | 480  | 600  | 730  | 850  | 980  | 
H  | 190  | 195  | 225  | 260  | 280  | 310  | 340  | 395  | 435  | 470  | 535  | 590  | 630  | 680  | 720  | 
W  | 120  | 140  | 140  | 180  | 200  | 220  | 260  | 280  | 300  | 340  | 400  | 450  | 450  | 500  | 500  | 
重量(Kg)  | 5  | 5  | 5.5  | 11  | 13.5  | 19  | 26  | 36  | 46  | 74  | 102  | 168  | 270  | 420  | 620  | 
型号  | GWJ41-25  | ||||||||||||||
压力等级  | PN25  | ||||||||||||||
口径  | 15  | 20  | 25  | 32  | 40  | 50  | 65  | 80  | 100  | 125  | 150  | 200  | 250  | 300  | 350  | 
L  | 130  | 150  | 160  | 180  | 200  | 230  | 290  | 310  | 350  | 400  | 480  | 600  | 730  | 850  | 980  | 
H  | 190  | 195  | 225  | 260  | 280  | 310  | 340  | 395  | 435  | 470  | 535  | 590  | 630  | 680  | 720  | 
W  | 120  | 140  | 140  | 180  | 200  | 220  | 260  | 280  | 300  | 340  | 400  | 450  | 450  | 500  | 500  | 
重量(Kg)  | 5  | 5  | 5.5  | 11  | 14  | 20  | 27  | 37  | 48  | 77  | 105  | 172  | 3100  | 520  | 690  | 
型号  | GWJ41-40  | ||||||||||||||
压力等级  | PN40  | ||||||||||||||
口径  | 15  | 20  | 25  | 32  | 40  | 50  | 65  | 80  | 100  | 125  | 150  | 200  | 250  | 300  | 350  | 
L  | 130  | 150  | 160  | 180  | 200  | 230  | 290  | 310  | 350  | 400  | 480  | 600  | 730  | 850  | 980  | 
H  | 190  | 195  | 225  | 260  | 280  | 310  | 340  | 395  | 435  | 470  | 535  | 590  | 630  | 680  | 720  | 
W  | 120  | 140  | 140  | 180  | 200  | 220  | 260  | 280  | 300  | 340  | 400  | 450  | 450  | 500  | 500  | 
重量(Kg)  | 5  | 5  | 5.5  | 11  | 14.5  | 21  | 28  | 39  | 50  | 80  | 108  | 176  | 350  | 590  | 790  | 
良好的品质、优良的服务 千亿app官方web站登入-千亿(中国)为你创造更多价值!
   
  
“千亿app官方web站登入-千亿(中国)”的期望,不断提升服务质量,精益求精,“真诚的服务”是“千亿app官方web站登入-千亿(中国)”永恒的主题。“千亿app官方web站登入-千亿(中国)”严格按照IS09001-2000 质量体系认证要求,质量严格把关, 责任到人,确保生产、销售、服务的健康运行。加强与用户沟通,竭诚为广大客户提供优良产品,至善至美服务。特此我厂做出以下承诺:
  
产品标准:
  
产品严格按照中国GB、HG 标准和美国API等标准设计、制造、验收。密封面硬度达到国家规定要求,宽度超过国家标准。 
  
售前服务:
  
产品介绍,技术交流,非标产品设计,疑难解答。 
  
售中服务:
  
守信合同,保证及时供货,随时保持与客户联系。 对特殊或复制的产品,我厂安排技术人员对用户进行产品使用、故障排除
  
售后服务:
  
1、“千亿app官方web站登入-千亿(中国)”牌产品品质期为自出厂起12个月,实行“三包”服务(包退、包换、保修)。 
  
2、产品在使用中我厂定期组织技术、质检人员进行访问,征询用户对产品质量、 使用状况、改进意见等方面的反馈, 以便进一步提高产品质量。 
  
3、对用户投诉质量问题,快速作出反应,售后服务人员在24-36小时(省外48小时)赶赴现场。 
  
4、对售后服务,要求用户填写服务后的质量反馈信息表,并作出鉴定意见,以便提高千亿app官方web站登入-千亿(中国)的服务质量。 
  
1、客户如对产品有特殊要求,须在订货合同中提供以下说明: 
  
a、结构长度;
  
b、连接形式;
  
c、公称直径、全通径、缩径、管道尺寸;
  
d、运行介质及温度、压力范围;
  
e、试验、检验标准及其他要求 
  
2、本厂可根据客户特定要求配置各类驱动装置。 
  
3、如由客户提供确定的阀门类型和型号时,客户应正确说明其型号的含义和要求,在供需双方理解一致的条件下签订合同。 
  
4、期货、订货的客户请先来电函详细告诉所需的阀门型号、规格、数量以及交货时间、地点,并按总的30%预定金或全额货款及时汇入我厂帐户,其余货款待发货前汇入,以便及时安排发货。
  
订单流程:
  
1、客户采购清单传真至,或来电咨询 
  
2、收到客户采购清单,为客户提供阀门型号选型与报价(价格清单)。
  
3、具体商定:交货期、特殊要求等事宜。
  
订货须知:
  
1、客户如对产品有特殊要求,须在订货合同中提供以下说明:
            | 
    |||||
 
            | 
    |||||
2、本厂可根据客户特定要求配置各类驱动装置。
            | 
    |||||
3、如由客户提供确定的阀门类型和型号时,客户应正确说明其型号的含义和要求,在供需双方理解一致的条件下签订合同。
            | 
    |||||
4、期货、订货的客户请先来电函详细告诉所需的阀门型号、规格、数量以及交货时间、地点,并按总的30%预定金或全额货款及时汇入我厂账户, 其余货款待发货前汇入,以便及时安排发货。
            | 
    
售中服务:
  
守信合同,保证及时供货,随时保持与客户联系。
  
对特殊或复制的产品,我厂安排技术人员对用户进行产品使用、故障排除
  
售后服务:
  
1、“千亿app官方web站登入-千亿(中国)”产品品质期为自出厂起12个月,实行“三包”服务(包退、包换、保修)。
  
2、产品在使用中我厂定期组织技术、质检人员进行访问,征询用户对产品质量、使用状况、改进意见等方面的反馈,
  以便进一步提高产品质量。
  
3、对用户投诉质量问题,快速作出反应,售后服务人员在24-36小时(省外48小时)赶赴现场。
  
4、对售后服务,要求用户填写服务后的质量反馈信息表,并作出鉴定意见,以便提高“千亿app官方web站登入-千亿(中国)”的服务质量。
声明  | 
                          
  |