J41F46衬氟截止阀
                            - 销售:
 - 销售:
 - 传真:
 
详情介绍
- 产品介绍
 - 服务承诺
 - 订货流程
 
J41F4-16、J41F46-16 型衬氟截止阀适用在 -50~150℃ 的各种浓度的王水、流酸、盐酸、氢氟酸和各种有机酸、强酸、强氧化剂,还适用于各种浓度的强碱有机溶剂以及其它腐蚀性气体,液体介质的管路上使用。
执行标准
设计规范:GB/T 12233 GB/T 12235
结构长度:GB/T 12221
连接法兰:JB/T 78 JB/T 79
试验与检验:GB/T 13927
产品标识:GB/T 12220
供货规范:JB/T 7928
衬氟截止阀 性能规范
衬里、阀座  | 适用温度(℃)  | 适用介质  | 
PTFE(F4)  | ≤180  | 除熔融碱金属、元素氟外的各种浓度的酸、碱、盐、王水、有机酸等强腐蚀性介质  | 
PCTFE(F3)  | ≤120  | |
FEP(F46)  | ≤150  | |
PFA(可熔性F4)  | ≤180  | |
PVDF(F2)  | ≤100  | |
RPTFE(RF4)  | ≤180  | 

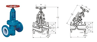
衬氟截止阀 主要外形尺寸
规格  | L  | D  | D1  | D2  | f  | b  | n-d  | D0  | H  | H1  | |
DN  | NPS  | 1.0MPa  | |||||||||
15  | 90  | 95  | 65  | 45  | 2  | 14  | 4-14  | 100  | 240  | 265  | |
20  | 95  | 105  | 75  | 55  | 2  | 16  | 4-14  | 100  | 245  | 270  | |
25  | 1  | 100  | 115  | 85  | 65  | 2  | 16  | 4-14  | 120  | 250  | 275  | 
32  | 1  | 105  | 135  | 100  | 78  | 2  | 18  | 4-18  | 120  | 260  | 290  | 
40  | 1  | 115  | 145  | 110  | 85  | 3  | 18  | 4-18  | 140  | 290  | 325  | 
50  | 2  | 125  | 160  | 125  | 100  | 3  | 20  | 4-18  | 140  | 300  | 335  | 
65  | 2  | 145  | 180  | 145  | 120  | 3  | 20  | 4-18  | 160  | 355  | 400  | 
80  | 3  | 155  | 195  | 160  | 135  | 3  | 22  | 4-18  | 160  | 400  | 450  | 
100  | 4  | 175  | 215  | 180  | 155  | 3  | 22  | 8-18  | 180  | 455  | 495  | 
125  | 5  | 200  | 245  | 210  | 185  | 3  | 24  | 8-18  | 180  | 530  | 560  | 
150  | 6  | 225  | 280  | 240  | 210  | 3  | 24  | 8-23  | 240  | 605  | 650  | 
200  | 8  | 275  | 335  | 295  | 265  | 3  | 26  | 8-23  | 240  | 650  | 770  | 
250  | 10  | 325  | 390  | 350  | 320  | 3  | 28  | 12-23  | 280  | 680  | 800  | 
300  | 12  | 375  | 440  | 400  | 368  | 4  | 28  | 12-23  | 280  | 710  | 835  | 
1.6MPa  | |||||||||||
15  | 90  | 95  | 65  | 45  | 2  | 14  | 4-14  | 100  | 240  | 265  | |
20  | 95  | 105  | 75  | 55  | 2  | 16  | 4-14  | 100  | 245  | 270  | |
25  | 1  | 100  | 115  | 85  | 65  | 2  | 16  | 4-14  | 120  | 250  | 275  | 
32  | 1  | 105  | 135  | 100  | 78  | 2  | 18  | 4-18  | 140  | 260  | 290  | 
40  | 1  | 115  | 145  | 110  | 85  | 3  | 18  | 4-18  | 140  | 290  | 325  | 
50  | 2  | 125  | 160  | 125  | 100  | 3  | 20  | 4-18  | 160  | 300  | 335  | 
65  | 2  | 145  | 180  | 145  | 120  | 3  | 20  | 4-18  | 180  | 355  | 400  | 
80  | 3  | 155  | 195  | 160  | 135  | 3  | 22  | 8-18  | 240  | 400  | 450  | 
100  | 4  | 175  | 215  | 180  | 155  | 3  | 24  | 8-18  | 240  | 455  | 495  | 
125  | 5  | 200  | 245  | 210  | 185  | 3  | 26  | 8-18  | 280  | 530  | 560  | 
150  | 6  | 225  | 280  | 240  | 210  | 3  | 28  | 8-23  | 320  | 605  | 650  | 
200  | 8  | 275  | 335  | 295  | 265  | 3  | 30  | 8-23  | 360  | 650  | 770  | 
2.5MPa  | |||||||||||
15  | 90  | 95  | 65  | 45  | 2  | 16  | 4-14  | 120  | 245  | 270  | |
20  | 95  | 105  | 75  | 55  | 2  | 16  | 4-14  | 120  | 250  | 275  | |
25  | 1  | 100  | 115  | 85  | 65  | 2  | 16  | 4-14  | 140  | 260  | 290  | 
32  | 1  | 105  | 135  | 100  | 78  | 2  | 18  | 4-18  | 140  | 290  | 325  | 
40  | 1  | 115  | 145  | 110  | 85  | 3  | 18  | 4-18  | 160  | 300  | 335  | 
50  | 2  | 125  | 160  | 125  | 100  | 3  | 20  | 4-18  | 180  | 355  | 400  | 
良好的品质、优良的服务 千亿app官方web站登入-千亿(中国)为你创造更多价值!
   
  
“千亿app官方web站登入-千亿(中国)”的期望,不断提升服务质量,精益求精,“真诚的服务”是“千亿app官方web站登入-千亿(中国)”永恒的主题。“千亿app官方web站登入-千亿(中国)”严格按照IS09001-2000 质量体系认证要求,质量严格把关, 责任到人,确保生产、销售、服务的健康运行。加强与用户沟通,竭诚为广大客户提供优良产品,至善至美服务。特此我厂做出以下承诺:
  
产品标准:
  
产品严格按照中国GB、HG 标准和美国API等标准设计、制造、验收。密封面硬度达到国家规定要求,宽度超过国家标准。 
  
售前服务:
  
产品介绍,技术交流,非标产品设计,疑难解答。 
  
售中服务:
  
守信合同,保证及时供货,随时保持与客户联系。 对特殊或复制的产品,我厂安排技术人员对用户进行产品使用、故障排除
  
售后服务:
  
1、“千亿app官方web站登入-千亿(中国)”牌产品品质期为自出厂起12个月,实行“三包”服务(包退、包换、保修)。 
  
2、产品在使用中我厂定期组织技术、质检人员进行访问,征询用户对产品质量、 使用状况、改进意见等方面的反馈, 以便进一步提高产品质量。 
  
3、对用户投诉质量问题,快速作出反应,售后服务人员在24-36小时(省外48小时)赶赴现场。 
  
4、对售后服务,要求用户填写服务后的质量反馈信息表,并作出鉴定意见,以便提高千亿app官方web站登入-千亿(中国)的服务质量。 
  
1、客户如对产品有特殊要求,须在订货合同中提供以下说明: 
  
a、结构长度;
  
b、连接形式;
  
c、公称直径、全通径、缩径、管道尺寸;
  
d、运行介质及温度、压力范围;
  
e、试验、检验标准及其他要求 
  
2、本厂可根据客户特定要求配置各类驱动装置。 
  
3、如由客户提供确定的阀门类型和型号时,客户应正确说明其型号的含义和要求,在供需双方理解一致的条件下签订合同。 
  
4、期货、订货的客户请先来电函详细告诉所需的阀门型号、规格、数量以及交货时间、地点,并按总的30%预定金或全额货款及时汇入我厂帐户,其余货款待发货前汇入,以便及时安排发货。
  
订单流程:
  
1、客户采购清单传真至,或来电咨询 
  
2、收到客户采购清单,为客户提供阀门型号选型与报价(价格清单)。
  
3、具体商定:交货期、特殊要求等事宜。
  
订货须知:
  
1、客户如对产品有特殊要求,须在订货合同中提供以下说明:
            | 
    |||||
 
            | 
    |||||
2、本厂可根据客户特定要求配置各类驱动装置。
            | 
    |||||
3、如由客户提供确定的阀门类型和型号时,客户应正确说明其型号的含义和要求,在供需双方理解一致的条件下签订合同。
            | 
    |||||
4、期货、订货的客户请先来电函详细告诉所需的阀门型号、规格、数量以及交货时间、地点,并按总的30%预定金或全额货款及时汇入我厂账户, 其余货款待发货前汇入,以便及时安排发货。
            | 
    
售中服务:
  
守信合同,保证及时供货,随时保持与客户联系。
  
对特殊或复制的产品,我厂安排技术人员对用户进行产品使用、故障排除
  
售后服务:
  
1、“千亿app官方web站登入-千亿(中国)”产品品质期为自出厂起12个月,实行“三包”服务(包退、包换、保修)。
  
2、产品在使用中我厂定期组织技术、质检人员进行访问,征询用户对产品质量、使用状况、改进意见等方面的反馈,
  以便进一步提高产品质量。
  
3、对用户投诉质量问题,快速作出反应,售后服务人员在24-36小时(省外48小时)赶赴现场。
  
4、对售后服务,要求用户填写服务后的质量反馈信息表,并作出鉴定意见,以便提高“千亿app官方web站登入-千亿(中国)”的服务质量。
声明  | 
                          
  |