不锈钢闸阀
                            - 销售:
 - 销售:
 - 传真:
 
详情介绍
- 产品介绍
 - 服务承诺
 - 订货流程
 
不锈钢闸阀:阀体、阀盖、闸板、闸杆使用不锈钢材料,阀座密封面为聚四氟乙烯、不锈钢+硬质合金或堆焊硬质合金,填料一般采用硬质合金、聚四氟乙烯、石棉石墨或柔性石墨。公称尺寸 DN15~DN800,工作压力 1.6MPa~20.0MPa,适用温度 ≤200℃,适用于硝酸类、弱腐蚀性介质管路中。
产品特点
1.采用奥氏体不锈钢,对氧化性酸介质拥有良好的耐蚀性。
2.介质流经不锈钢闸阀时不改变其流动方向,流体阻力小。
3.闸板运动方向与介质流动方向相垂直,启闭力矩小,开闭较省力。
4.介质流动方向不受限制,不扰流、不降低压力,介质可从闸阀两侧任意方向流过、均能达到使用的目的,适用于介质流动方向可能改变的管路中。
5.闸板垂直置于阀体内,结构长度较短。
6.密封性能好。全开时密封面受冲蚀较小。
![]()  | ![]()  | 
| 不锈钢闸阀(法兰) | 不锈钢闸阀(内螺纹、丝口) | 
不锈钢法兰闸阀 产品说明
Z41H、Z41Y、Z41W 不锈钢法兰闸阀:手动、法兰连接形式、明杆楔式刚性单闸板,阀座密封面材料为不锈钢,公称压力 PN16~PN200,阀体材料为不锈钢的闸阀。
Z41W、Z41Y、Z41H 不锈钢闸阀结构紧凑、设计合理、阀门刚性好、通道流畅、流阻系数小,密封面采用不锈钢和硬质合金,使用寿命长,采用柔性石墨填料、密封可靠、操作轻便灵活。应用于工作压力 1.6MPa~20.0MPa,工作温度 -29℃~200℃的石油、化工、水力、火力电站各种系统的管路上,适用介质为硝酸类、醋酸类、水、油、气类及某些腐蚀性液体。
不锈钢法兰闸阀 产品特点
① 符合国内外先进标准的要求,密封可靠、性能优良、造型美观。 ② 密封副配对先进合理,闸板和阀座的密封面采用不同硬度的硬质合金堆焊而成,密封可靠、硬度高、耐磨、耐高温、耐腐蚀、抗擦伤性能好、寿命长。 ③ 阀杆经调质及表面氮化处理,有良好的抗腐蚀性、抗擦伤性和耐磨性。 ④ 可采用各种配管法兰标准及法兰密封面形式,满足各种工程需要及用户要求。
不锈钢法兰闸阀 主要性能参数
型号  | PN  | 工作压力 / MPa  | 适用温度 / ℃  | 适用介质  | 
Z41W-16P~25P  | 16~25  | 1.6~2.5  | ≤ 150  | 弱腐蚀性介质  | 
Z41Y-16P~25P  | ||||
Z41W-16R~25R  | ||||
Z41Y-16R~25R  | ||||
Z41W-40P~63P  | 40~63  | 4.0~6.3  | ≤ 150  | 弱腐蚀性介质  | 
Z41Y-40P~63P  | ||||
Z41W-40R~63R  | ||||
Z41Y-40R~63R  | ||||
Z41Y-100P~160P  | 100~160  | 10.0~16.0  | ≤ 150  | 弱腐蚀性介质  | 
Z41Y-100R~160R  | ||||
Z41H-40P~200P  | 40~200  | 4.0~20.0  | ≤ 200  | 硝酸类  | 
Z41H-40R~200R  | 
不锈钢法兰闸阀 主要零件材料
型号  | 材料  | |||
阀体、阀盖、闸板  | 阀杆  | 密封面  | 填料  | |
Z41W-16P~25P  | 铬镍钛不锈钢  | 铬镍钛不锈钢  | 本体材料  | 石棉石墨或柔性石墨  | 
Z41Y-16P~25P  | 堆焊硬质合金  | |||
Z41W-16R~25R  | 铬镍钼钛不锈钢  | 铬镍钼钛不锈钢  | 本体材料  | |
Z41Y-16R~25R  | 堆焊硬质合金  | |||
Z41W-40P~63P  | 铬镍钛不锈钢  | 铬镍钛不锈钢  | 本体材料  | 聚四氟乙烯  | 
Z41Y-40P~63P  | 堆焊硬质合金  | |||
Z41W-40R~63R  | 铬镍钼钛不锈钢  | 铬镍钼钛不锈钢  | 本体材料  | |
Z41Y-40R~63R  | 堆焊硬质合金  | |||
Z41Y-100P~160P  | 铬镍钛不锈钢  | 铬镍钛不锈钢  | 堆焊硬质合金  | 聚四氟乙烯  | 
Z41Y-100R~160R  | 铬镍钼钛不锈钢  | 铬镍钼钛不锈钢  | ||
Z41H-40P~200P  | 铬镍钛不锈钢  | 不锈钢  | 不锈钢或不锈钢+硬质合金  | 柔性石墨  | 
Z41H-40R~200R  | 铬镍钼钛不锈钢  | 不锈钢  | 不锈钢或不锈钢+硬质合金  | 柔性石墨  | 

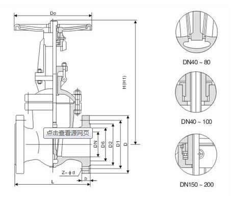
不锈钢法兰闸阀 主要外形尺寸
Z41H、Z41Y、Z41W(PN16)不锈钢闸阀
DN  | L  | D  | D1  | D2  | b  | f  | z×ød  | H  | D0  | 重量 / kg  | 
15  | 130  | 95  | 65  | 45  | 14  | 2  | 4×ø14  | 175  | 200  | 4  | 
20  | 150  | 105  | 75  | 55  | 14  | 2  | 4×ø14  | 180  | 200  | 5  | 
25  | 160  | 115  | 85  | 65  | 14  | 2  | 4×ø14  | 210  | 200  | 6  | 
32  | 180  | 135  | 100  | 78  | 16  | 2  | 4×ø18  | 210  | 200  | 7  | 
40  | 200  | 145  | 110  | 85  | 16  | 3  | 4×ø18  | 350  | 200  | 19  | 
50  | 250  | 160  | 125  | 100  | 16  | 3  | 4×ø18  | 358  | 240  | 29  | 
65  | 265  | 180  | 145  | 120  | 18  | 3  | 4×ø18  | 375  | 240  | 33  | 
80  | 280  | 195  | 160  | 135  | 20  | 3  | 8×ø18  | 433  | 280  | 45  | 
100  | 300  | 215  | 180  | 155  | 20  | 3  | 8×ø18  | 502  | 320  | 63  | 
125  | 325  | 245  | 210  | 185  | 22  | 3  | 8×ø18  | 612  | 360  | 108  | 
150  | 350  | 280  | 240  | 210  | 24  | 3  | 8×ø23  | 676  | 360  | 134  | 
200  | 400  | 335  | 295  | 265  | 26  | 3  | 12×ø23  | 820  | 400  | 192  | 
250  | 450  | 405  | 355  | 320  | 30  | 3  | 12×ø25  | 969  | 450  | 273  | 
300  | 500  | 460  | 410  | 375  | 30  | 4  | 12×ø25  | 1142  | 560  | 379  | 
350  | 550  | 520  | 470  | 435  | 34  | 4  | 16×ø25  | 1280  | 640  | 590  | 
400  | 600  | 580  | 525  | 485  | 36  | 4  | 16×ø30  | 1452  | 640  | 850  | 
450  | 650  | 640  | 585  | 545  | 40  | 4  | 20×ø30  | 1541  | 720  | 907  | 
500  | 700  | 705  | 650  | 608  | 44  | 4  | 20×ø34  | 1676  | 720  | 958  | 
600  | 800  | 840  | 770  | 718  | 48  | 5  | 20×ø41  | 1874  | 800  | 1112  | 
Z41H、Z41Y、Z41W(PN25)不锈钢闸阀
DN  | L  | D  | D1  | D2  | b  | f  | z×ød  | H  | D0  | 重量 / kg  | 
15  | 130  | 95  | 65  | 45  | 16  | 2  | 4×ø14  | 175  | 200  | 4  | 
20  | 150  | 105  | 75  | 55  | 16  | 2  | 4×ø14  | 180  | 200  | 5  | 
25  | 160  | 115  | 85  | 65  | 16  | 2  | 4×ø14  | 210  | 220  | 6  | 
32  | 180  | 135  | 100  | 78  | 18  | 2  | 4×ø18  | 210  | 220  | 7  | 
40  | 200  | 145  | 110  | 85  | 18  | 3  | 4×ø18  | 350  | 220  | 18  | 
50  | 250  | 160  | 125  | 100  | 20  | 3  | 4×ø18  | 358  | 250  | 25  | 
65  | 265  | 180  | 145  | 120  | 22  | 3  | 8×ø18  | 373  | 280  | 35  | 
80  | 280  | 195  | 160  | 135  | 22  | 3  | 8×ø18  | 435  | 300  | 50  | 
100  | 300  | 230  | 190  | 160  | 24  | 3  | 8×ø23  | 500  | 350  | 65  | 
125  | 325  | 270  | 220  | 188  | 28  | 3  | 8×ø25  | 614  | 400  | 100  | 
150  | 350  | 300  | 250  | 218  | 30  | 3  | 8×ø25  | 674  | 450  | 135  | 
200  | 400  | 360  | 310  | 278  | 34  | 3  | 12×ø25  | 818  | 500  | 180  | 
250  | 450  | 425  | 370  | 332  | 36  | 3  | 12×ø30  | 969  | 550  | 207  | 
300  | 500  | 485  | 430  | 390  | 40  | 4  | 16×ø30  | 530  | 560  | 400  | 
350  | 550  | 550  | 490  | 448  | 44  | 4  | 16×ø34  | 1280  | 640  | 631  | 
400  | 600  | 610  | 550  | 505  | 48  | 4  | 16×ø34  | 1450  | 640  | 900  | 
450  | 650  | 660  | 600  | 555  | 50  | 4  | 20×ø34  | 1541  | 720  | 1013  | 
500  | 700  | 730  | 660  | 610  | 52  | 4  | 20×ø41  | 1676  | 720  | 1166  | 
600  | 800  | 840  | 770  | 718  | 56  | 5  | 20×ø41  | 1874  | 800  | 1258  | 
700  | 900  | 955  | 875  | 815  | 60  | 5  | 24×ø48  | 2280  | 850  | —  | 
800  | 1000  | 1070  | 990  | 930  | 64  | 5  | 24×ø48  | 2420  | 900  | —  | 
Z41H、Z41Y、Z41W(PN40~63)不锈钢闸阀
DN  | L  | D  | H  | W  | 重量 / kg  | 
50  | 250  | 160  | 685  | 250  | 30  | 
175  | 30  | ||||
65  | 280  | 180  | 705  | 250  | 41  | 
200  | 300  | 42  | |||
80  | 310  | 195  | 780  | 250  | 48  | 
210  | 350  | 51  | |||
100  | 350  | 230  | 805  | 300  | 78  | 
250  | 400  | 80  | |||
125  | 400  | 270  | 890  | 350  | 112  | 
295  | 400  | 125  | |||
150  | 450  | 300  | 945  | 350  | 152  | 
340  | 1002  | 450  | 175  | ||
200  | 550  | 375  | 1100  | 400  | 200  | 
405  | 1150  | 450  | 220  | ||
250  | 650  | 445  | 1350  | 450  | 300  | 
470  | 500  | 320  | |||
300  | 750  | 510  | 1445  | 500  | 450  | 
530  | 1528  | 650  | 490  | ||
350  | 850  | 570  | 1665  | —  | 680  | 
595  | 1792  | —  | 700  | ||
400  | 950  | 655  | 1930  | —  | 850  | 
670  | 2180  | —  | 920  | 
Z41H、Z41Y、Z41W(PN100)不锈钢闸阀
DN  | L  | D  | H  | W  | 重量 / kg  | 
50  | 250  | 195  | 680  | 300  | 48  | 
65  | 280  | 220  | 720  | 300  | 68  | 
80  | 310  | 230  | 870  | 350  | 92  | 
100  | 350  | 265  | 885  | 400  | 133  | 
125  | 400  | 310  | 1020  | 450  | 216  | 
150  | 450  | 350  | 1110  | 500  | 275  | 
200  | 550  | 430  | 1225  | 500  | 360  | 
250  | 650  | 500  | 1257  | 550  | 700  | 
Z41H、Z41Y、Z41W(PN160)不锈钢闸阀
DN  | L  | D  | H  | W  | 重量 / kg  | 
65  | 340  | 245  | 820  | 350  | 110  | 
80  | 390  | 260  | 850  | 350  | 145  | 
100  | 450  | 300  | 980  | 400  | 192  | 
125  | 525  | 355  | 1050  | 450  | 307  | 
Z41H、Z41Y、Z41W(PN200)不锈钢闸阀
DN  | L  | D  | H  | W  | 重量 / kg  | 
50  | 350  | 210  | 712  | 350  | 108  | 
65  | 410  | 260  | 765  | 400  | 195  | 
80  | 470  | 290  | 835  | 450  | 250  | 
100  | 550  | 360  | 950  | 500  | 350  | 
125  | 650  | 385  | 1080  | 500  | 540  | 
150  | 750  | 440  | 1140  | 600  | 738  | 
丝口内螺纹不锈钢闸阀 产品说明
Z15W-16R、Z15W-16P 型不锈钢闸阀(Z15W 丝口内螺纹不锈钢闸阀):手动、内螺纹连接形式、暗杆楔式刚性单闸板,阀座密封面材料为不锈钢,工作压力 1.6MPa,阀体材料为不锈钢的闸阀。适用温度 -20~180℃,公称通径 DN15~DN50,适用介质为水、蒸汽、油品。广泛应用于国防、科研、航天、电子、机械、冶金、石油,化工,能源、环保、生物医药、制冷、食品等各种领域。
Z15W-16R、Z15W-16P 型不锈钢闸阀结构简单,制造和维修比较方便;工作行程小,启闭时间短;密封性好,密封面间磨擦力小,寿命较长;不适用于带颗粒、粘度较大、易结焦的介质。
丝口内螺纹不锈钢闸阀主要性能参数
型号  | PN  | 工作压力 (MPa)  | 适用温度 (℃)  | 适用介质  | 
Z15W-16R  | 16  | 1.6  | -20~180  | 水、轻微腐蚀性气液体、饱和蒸汽、直接饮水  | 
Z15W-16P  | 
丝口内螺纹不锈钢闸阀 主要零件材料
名称  | 阀体、阀盖、闸板  | 阀杆  | 密封面  | 填料  | 
材料  | 不锈钢  | 不锈钢  | 不锈钢  | 膨胀石墨  | 

丝口内螺纹不锈钢闸阀 主要外形尺寸
DN  | Rc/in  | L  | B  | H  | D0  | 
15  | Rc1/2  | 56.5  | 15  | 94  | 70  | 
20  | Rc3/4  | 60  | 20  | 102  | 70  | 
25  | Rc1  | 68  | 25  | 114  | 80  | 
32  | Rc1¼  | 75.5  | 32  | 124  | 80  | 
40  | Rc1½  | 80  | 40  | 152.5  | 100  | 
50  | Rc2  | 90.5  | 50  | 169.5  | 100  | 
良好的品质、优良的服务 千亿app官方web站登入-千亿(中国)为你创造更多价值!
   
  
“千亿app官方web站登入-千亿(中国)”的期望,不断提升服务质量,精益求精,“真诚的服务”是“千亿app官方web站登入-千亿(中国)”永恒的主题。“千亿app官方web站登入-千亿(中国)”严格按照IS09001-2000 质量体系认证要求,质量严格把关, 责任到人,确保生产、销售、服务的健康运行。加强与用户沟通,竭诚为广大客户提供优良产品,至善至美服务。特此我厂做出以下承诺:
  
产品标准:
  
产品严格按照中国GB、HG 标准和美国API等标准设计、制造、验收。密封面硬度达到国家规定要求,宽度超过国家标准。 
  
售前服务:
  
产品介绍,技术交流,非标产品设计,疑难解答。 
  
售中服务:
  
守信合同,保证及时供货,随时保持与客户联系。 对特殊或复制的产品,我厂安排技术人员对用户进行产品使用、故障排除
  
售后服务:
  
1、“千亿app官方web站登入-千亿(中国)”牌产品品质期为自出厂起12个月,实行“三包”服务(包退、包换、保修)。 
  
2、产品在使用中我厂定期组织技术、质检人员进行访问,征询用户对产品质量、 使用状况、改进意见等方面的反馈, 以便进一步提高产品质量。 
  
3、对用户投诉质量问题,快速作出反应,售后服务人员在24-36小时(省外48小时)赶赴现场。 
  
4、对售后服务,要求用户填写服务后的质量反馈信息表,并作出鉴定意见,以便提高千亿app官方web站登入-千亿(中国)的服务质量。 
  
1、客户如对产品有特殊要求,须在订货合同中提供以下说明: 
  
a、结构长度;
  
b、连接形式;
  
c、公称直径、全通径、缩径、管道尺寸;
  
d、运行介质及温度、压力范围;
  
e、试验、检验标准及其他要求 
  
2、本厂可根据客户特定要求配置各类驱动装置。 
  
3、如由客户提供确定的阀门类型和型号时,客户应正确说明其型号的含义和要求,在供需双方理解一致的条件下签订合同。 
  
4、期货、订货的客户请先来电函详细告诉所需的阀门型号、规格、数量以及交货时间、地点,并按总的30%预定金或全额货款及时汇入我厂帐户,其余货款待发货前汇入,以便及时安排发货。
  
订单流程:
  
1、客户采购清单传真至,或来电咨询 
  
2、收到客户采购清单,为客户提供阀门型号选型与报价(价格清单)。
  
3、具体商定:交货期、特殊要求等事宜。
  
订货须知:
  
1、客户如对产品有特殊要求,须在订货合同中提供以下说明:
            | 
    |||||
 
            | 
    |||||
2、本厂可根据客户特定要求配置各类驱动装置。
            | 
    |||||
3、如由客户提供确定的阀门类型和型号时,客户应正确说明其型号的含义和要求,在供需双方理解一致的条件下签订合同。
            | 
    |||||
4、期货、订货的客户请先来电函详细告诉所需的阀门型号、规格、数量以及交货时间、地点,并按总的30%预定金或全额货款及时汇入我厂账户, 其余货款待发货前汇入,以便及时安排发货。
            | 
    
售中服务:
  
守信合同,保证及时供货,随时保持与客户联系。
  
对特殊或复制的产品,我厂安排技术人员对用户进行产品使用、故障排除
  
售后服务:
  
1、“千亿app官方web站登入-千亿(中国)”产品品质期为自出厂起12个月,实行“三包”服务(包退、包换、保修)。
  
2、产品在使用中我厂定期组织技术、质检人员进行访问,征询用户对产品质量、使用状况、改进意见等方面的反馈,
  以便进一步提高产品质量。
  
3、对用户投诉质量问题,快速作出反应,售后服务人员在24-36小时(省外48小时)赶赴现场。
  
4、对售后服务,要求用户填写服务后的质量反馈信息表,并作出鉴定意见,以便提高“千亿app官方web站登入-千亿(中国)”的服务质量。
声明  | 
                          
  | 
                        
                    
                        
    
